付费资源

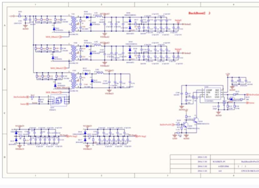
自动发货 30kW储能PCS逆变器双向变流器设计方案资料 仿真 原理图 DSP源码

此内容为付费资源,请付费后查看
您还未登陆,建议登陆后购买,卖家能提供更完善的服务!
4.9
限时特惠
已售 0
评论 抢沙发

请登录后发表评论

    暂无评论内容