本文介绍的是台达A2系列伺服通过方向+脉冲的形式,通过最简单的构成去实现位置模式的控制。本文资料来源,《台达A2使用说明书》
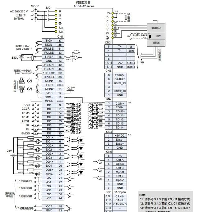
伺服接线
NPN,使用外部电源的方向+脉冲接法 (最高输入频率4 Mpps)

PNP,使用外部电源的方向+脉冲接法(最高输入频率4 Mpps)
注意!PNP接法必须串电阻,规格1KΩ,1W

差分,此为 5V 系统,请勿输入 24V 电源

- 由于不使用急停EMGS、正限位CWL、负限位CCWL、使能信号SON,因此本次CN1接口仅需进行脉冲和方向的接线操作。请严格参照上方提供的接线图进行脉冲与方向的连接。

- 鉴于A2驱动器的IO端子为50pin端子,您可根据实际需求选择以下两种方式之一进行准备:
- 自行准备50pin插头并进行焊接。
- 订货型号: SC-50C
- 购买市场上销售的IO延长线及相应的接线端子进行连接。
- 订货型号:MR-J3CN1-1M
- 引脚排序:

参数设置
|
参数 |
设定值 |
设定说明 |
|
P2-10 |
1 |
DI1设置成上电使能 |
|
P2-15 |
122 |
正限位常开 |
|
P2-16 |
123 |
负限位常开 |
|
P2-17 |
121 |
急停常开 |
|
P1-00 |
2 |
方向+脉冲 |
|
P2-08 |
10 |
恢复出厂设置 |
|
P1-44 |
根据需要设置 |
电子齿轮比分子 N1 |
|
P1-45 |
根据需要设置 |
电子齿轮比分母 M |
参数设置解析:

输入功能选择:所代表的功能请参考《台达B2使用手册》表 7.1
输入接点:
属性为 a 或 b 接点
0:设定输入接点为常闭 b 接点
1:设定输入接点为常开 a 接点
由于使能需要设置成上电使能,不通过接线实现,接线端子是DI1,信号默认是常开,通过查询表 7.1得知功能码是01,所以P2-01设置成001。



- 本案例不使用急停信号,正限位,负限位信号,如果使用请直接接线,请勿修改P2-15,16,17参数。
- 设置完成,输入脉冲即可启动。
© 版权声明
文章版权归作者所有,未经允许请勿转载。如内容涉嫌侵权,请在本页底部进入<联系我们>进行举报投诉!
THE END


















- 最新
- 最热
只看作者