编辑导语:随着电商行业的发展,如今即便足不出户,也可以跨省甚至跨境买到自己想要的商品。这背后是一种什么样的模式在运转呢?本文作者介绍了其中的一种电商模式——一件代发,一起来看一下吧。
作为一个消费者,我们可以是市面上买到所有我们所需要的商品,大到家具家电、小到日用百货。哪里有需求,哪里就有买卖。
曾经在我还很小的时候,我们进行的一系列买卖、交易只能通过线下完成,你所能使用到的物品种类完全取决于你家周边商场的发达程度,我目前还记得我爸出差给我特意从大城市买回来的一套过家家的小玩具,对年幼的我来说简直是无比新奇。
时代在进步,随着电商行业的发展,目前消费者即便足不出户,也可以跨省甚至跨境买到自己想要的商品。作为一个消费者兼交易产品,我不由的好奇,这背后是一种怎样的模式在运转呢? 今天给大家介绍的就是目前业内超级流行的一种电商模式:一件代发。
一、商品
消费离不开商品,茫茫上亿商品中,商家究竟选择哪些商品进行售卖呢,标准是什么。正式进入主题之前,先看商品的两个属性特点,商品的属性可以概括为两个:频次和毛利。
1. 概念解释
- 频次:频次很好理解,这里指被购买的次数
- 毛利:毛利就是售卖了商品后来、未刨除固定成本时获得的利润,这里也要相比区分一个概念叫净利
我通过一个例子说明一下:小王开了一个水果店,主要是销售苹果、芒果、香蕉。这个月他售卖了水果的总销售额为1万元,水果进价一共是6000元,每个月房租、水电、人力投入成本是1000元。
那么 这个月小王家水果店的毛利=10000-6000=4000元;净利润=10000-6000-1000=3000元
机智的你必定猜到了毛利和净利的区别:
毛利=销售收入-销售成本
净利=销售收入-销售成本-固定支出
计算公式 :
毛利率=[(销售收入-销售成本)/销售收入]100%
净利率=净利润/销售收入100%=(销售收入-销售成本-固定收入)/ 销售收入*100%
言归正传,商品的两个属性包括频次和毛利。按照4象限,会分成毛利高购买频次高、毛利高购买频次低、毛利低购买频次高和毛利低购买频次低四类商品。
- 毛利高购买频次高,如自有品牌,商品的质量可以得到保障,同时还提升了品牌效应与用户黏性
- 毛利高购买频次低,如3c类,可通过营销拉动购买力,提升利润
- 毛利低购买频次高,如日用品,食品类,可作为引流品,提升用户互动性
- 毛利低购买频次低,主要作用补充丰富类目,尽管可能卖不出去,但是必定要有。给用户营造一站式购齐的氛围
商家会根据这四个维度,去选择自己合作的品牌,丰富自己店铺的商品
二、什么是一件代发
1. 自有仓模式
一般业内的普遍的供应链模式主要是分为两大类,第一类是有自己的仓储能力,将商品、物料放置在自己的仓中,由内部员工负责打包、发货。
常见的一般如一些自有品牌,都是有自己仓储能力的。这种模式的好处是定价权以及售后标准都是自己说了算,还可以提高用户体验,发货率可以得到保障、而且统一的包装也都能提升品质感。
但是劣势就是仓储成本较高,人工成本、场地成本等相对较高,一般对于自有仓来说对毛利是有很大的要求的,毛利低必然会导致亏损。
角色定义:
- 买家:对于消费者来说,他的核心诉求是买到物美价廉的商品,所以他并不关注卖家到底是不是厂家,同等品质下的商品谁能带给他最低价,他就会选择谁。
- 卖家:卖家即厂家,从售前、发货、售后都是自己负责,好处就是对商品定价有话语权,发货时效、售后标准都是自主把控,可以尽可能给到买家优惠价,之前有一段时间火爆的【厂家直销】的概念,就是打造没有中间商赚差价,价格更实惠,来吸引消费者。可一旦销路差,流水供应不足,仓储、人力的固定支出成本却避免不了,是否能够真正盈利,我个人觉得相对难一些。
2. 一件代发
第二种就是没有自己的仓能力,属于一件代发模式。那什么是一件代发呢?实则一件代发模式主要解决的是没有建立仓储能力的卖家进行售卖的问题。
角色定义:
- 买家:同上,购买商品的消费者。
- 卖家:和厂家签订合同后,卖家作为经销商负责售卖,赚取差价。厂家负责发货和售后。显然这种模式对卖家而言属于“轻装上阵”,无需承担各种人力、场地等固定成本。但是同样,由于不是由自己控制仓储,发货时效无法把控、商品包装可能都不统一,用户体验一般。
- 厂家:对于厂家来说,人人都是你的卖货员,可以快速的通过不同渠道进行售卖。同样,不同商家的售卖能力不同,很可能厂家投入了发货、对接各个商家的人工成本,但最后由于商家本身售卖能力弱,售后退货率高,导致厂家最终亏损,不再续签合作。
三、交易系统如何支持不同业务模式
不同的业务模式下,系统之间的交互是否有区别呢?
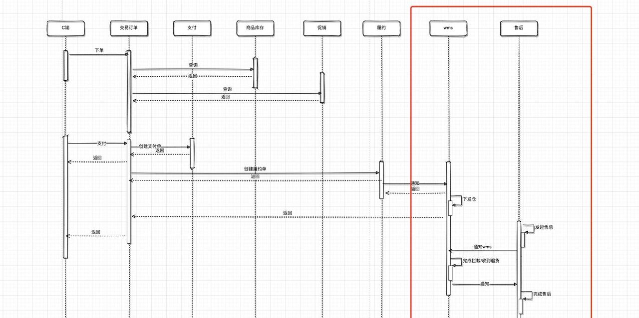
如下图示,参与交易链路的角色如下:
- C端/业务后台:作为用户触发下单的入口
- 交易订单:进行数据一致性校验进行,查询促销、商品、库存进行算价
- 商品库存:通过数据一致性校验后,锁定库存,支付后扣除库存
- 履约:支付成功后,订单通知履约创建履约单,虚拟商品正向流程结束;对于实体商品,履约系统下发到wms,通知发货
- wms:wms下发指定仓,仓完成打印面单、出库,系统将单号自动回传
- 售后:发起售后时,通知由仓拦截货物,当判断仓已经拦截货物或已经收到退货,再进行退款
上述是自营仓的交易发货逻辑,对于一件代发模式,整个流程中【订单下发仓】【单号回传】【确认退货后才能进行售后】的流程都是通过人工线下对接完成,同时,无法在下单前系统自动做一些与仓有关的逻辑限制,列如运费、列如限制发货区域等,只能人工限制。
四、个人思考
我的工作经历中既对接过自营仓的运作模式,也对接过这种一件代发的运作模式,在岗位划分中,仓储属于供应链部分,自营仓的进销存不管是对于供应链业务本身、还是对于系统都是很复杂的一套逻辑,对于只是想选择一个新的电商赛道进行试水的公司,一件代发模式是最佳的选择。
这次主要是尝试整理这种一件代发的模式,对于自营仓的部分,一直没有机会深入到仓库中调研实践,担心误导大家,这里就不多赘述了。
#专栏作家#
闫秀儿,微信公众号:闫秀儿,人人都是产品经理专栏作家。持续沉淀、持续成长的交易产品。
本文原创发布于人人都是产品经理,未经许可,禁止转载
题图来自 Unsplash,基于 CC0 协议
© 版权声明
文章版权归作者所有,未经允许请勿转载。如内容涉嫌侵权,请在本页底部进入<联系我们>进行举报投诉!
THE END
如果内容对您有所帮助,就支持一下吧!






















- 最新
- 最热
只看作者