37款传感器与执行器的提法,在网络上广泛流传,实则Arduino能够兼容的传感器模块肯定是不止这37种的。鉴于本人手头积累了一些传感器和执行器模块,依照实践出真知(必定要动手做)的理念,以学习和交流为目的,这里准备逐一动手尝试系列实验,不管成功(程序走通)与否,都会记录下来—小小的进步或是搞不掂的问题,希望能够抛砖引玉。
【Arduino】168种传感器模块系列实验(资料代码+仿真编程+图形编程)
实验八十六:WS2812B-4*4位 RGB LED 全彩驱动16位彩灯开发板模块

WS2812B
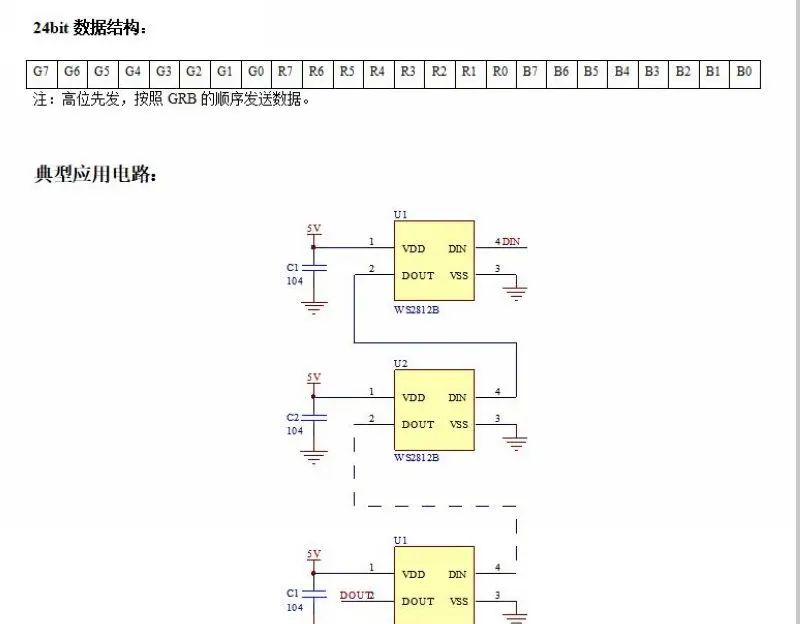
是一个集控制电路与发光电路于一体的智能外控LED光源。其外型与一个5050LED灯珠一样,每个元件即为一个像素点。像素点内部包含了智能数字接口数据锁存信号整形放大驱动电路,还包含有高精度的内部振荡器和12V高压可编程定电流控制部分,有效保证了像素点光的颜色高度一致。数据协议采用单线归零码的通讯方式,像素点在上电复位后来,DIN端接受从控制器传输过来的数据,第一送过来的24bit数据被第一个像素点提取后,送到像素点内部的数据锁存器,剩余的数据经过内部整形处理电路整形放大后通过DO端口开始转发输出给下一个级联的像素点,每经过一个像素点的传输,信号减少24bit。像素点采用自动整形转发技术,使得该像素点的级联个数不受信号传送的限制,仅仅受限信号传输速度要求。





主要特点
● 智能反接保护,电源反接不会损坏IC。
● IC控制电路与LED点光源公用一个电源。
● 控制电路与RGB芯片集成在一个5050封装的元器件中,构成一个完整的外控像素点。
● 内置信号整形电路,任何一个像素点收到信号后经过波形整形再输出,保证线路波形畸变不会累加。
● 内置上电复位和掉电复位电路。
● 每个像素点的三基色颜色可实现256级亮度显示,完成16777216种颜色的全真色彩显示,扫描频率不低于400Hz/s。
● 串行级联接口,能通过一根信号线完成数据的接收与解码。
● 任意两点传传输距离在不超过5米时无需增加任何电路。
● 当刷新速率30帧/秒时,级联数不小于1024点。
● 数据发送速度可达800Kbps。
● 光的颜色高度一致,性价比高。

WS2812B-4*4位 RGB LED 全彩驱动16位彩灯开发板模块
5050高亮LED,内置控制芯片,仅需1个IO口即可控制多个LED
芯片内置整形电路,信号畸变不会累计,稳定显示
三基色256级亮度调剂,16万色真彩显示效果,扫描频率不低于400Hz/S
串行连级接口,能通过一根信号线完成数据的接收与解码
刷新速率30帧/秒时,低速连级模式连级数不小于512点
数据收发速度最高可达800Kbps
高亮LED,光色亮度一致性高
两端有l联级接口,可以直接插接

【Arduino】168种传感器模块系列实验(资料代码+仿真编程+图形编程)
实验八十六: WS2812B-4*4位 RGB LED 全彩驱动16位彩灯开发板
项目一,点亮矩阵LED模块,循环快闪绿色光
实验开源代码
/*
【Arduino】168种传感器模块系列实验(资料代码+仿真编程+图形编程)
实验八十六: WS2812B-4*4位 RGB LED 全彩驱动16位彩灯开发板
项目一,点亮矩阵LED模块,循环快闪绿色光
*/
#include <Adafruit_NeoPixel.h>
#define PIN 7
#define MAX_LED 16
#define ADD true
#define SUB false
int val = 0;
boolean stat = ADD;
Adafruit_NeoPixel strip = Adafruit_NeoPixel( MAX_LED, PIN, NEO_RGB + NEO_KHZ800 );
void setup(){
strip.begin();
strip.show();
}
void loop(){
uint8_t i,a=0;
uint32_t color = strip.Color(255, 100, 0);
while(a<17) {
for(i=0;i<16;i++) {
if(i==a) strip.setPixelColor(i, color);
else strip.setPixelColor(i, 0);
}
strip.show();
delay(20);
a++;
}
}
实验场景图

/*
【Arduino】168种传感器模块系列实验(资料代码+仿真编程+图形编程)
实验八十六: WS2812B-4*4位 RGB LED 全彩驱动16位彩灯开发板
项目二,依次点亮不同色彩灯
*/
#include <FastLED.h>
#define LED_PIN 7
#define NUM_LEDS 16
CRGB leds[NUM_LEDS];
void setup() {
FastLED.addLeds<WS2812, LED_PIN, GRB>(leds, NUM_LEDS);
}
void loop() {
leds[0] = CRGB(255, 0, 0);
FastLED.show();
delay(500);
leds[1] = CRGB(0, 255, 0);
FastLED.show();
delay(500);
leds[2] = CRGB(0, 0, 255);
FastLED.show();
delay(500);
leds[3] = CRGB(150, 0, 255);
FastLED.show();
delay(500);
leds[4] = CRGB(255, 200, 20);
FastLED.show();
delay(500);
leds[5] = CRGB(85, 60, 180);
FastLED.show();
delay(500);
leds[6] = CRGB(150, 255, 20);
FastLED.show();
delay(500);
leds[7] = CRGB(0, 50, 255);
FastLED.show();
delay(500);
leds[8] = CRGB(255, 255, 0);
FastLED.show();
delay(500);
leds[9] = CRGB(20, 25, 255);
FastLED.show();
delay(500);
leds[10] = CRGB(255, 0, 20);
FastLED.show();
delay(500);
leds[11] = CRGB(50, 0, 55);
FastLED.show();
delay(500);
leds[12] = CRGB(55, 200, 20);
FastLED.show();
delay(500);
leds[13] = CRGB(85, 160, 180);
FastLED.show();
delay(500);
leds[14] = CRGB(20, 255, 0);
FastLED.show();
delay(500);
leds[15] = CRGB(150, 150, 60);
FastLED.show();
delay(500);
}
实验场景图

/*
【Arduino】168种传感器模块系列实验(资料代码+仿真编程+图形编程)
实验八十六: WS2812B-4*4位 RGB LED 全彩驱动16位彩灯开发板
项目之三,简单渐变彩虹色
*/
#include <Adafruit_NeoPixel.h>
#ifdef __AVR__
#include <avr/power.h>
#endif
#define PIN 7
#define NUMPIXELS 16
float RDE1=0;
float GRE1=0;
float BLE1=0;
Adafruit_NeoPixel pixels = Adafruit_NeoPixel(NUMPIXELS, PIN, NEO_GRB + NEO_KHZ800);
int delayval = 500;
void setup() {
#if defined (__AVR_ATtiny85__)
if (F_CPU == 16000000) clock_prescale_set(clock_div_1);
#endif
pixels.begin();
}
void loop() {
GRE1=0;
for(int o=0;o<255;o++){
RDE1=255;
GRE1=GRE1+1;
BLE1=0;
for(int l=0;l<NUMPIXELS;l++){
pixels.setPixelColor(l, pixels.Color(RDE1,GRE1,BLE1));
pixels.show();
}
delay(20);
}
RDE1=255;
for(int p=0;p<255;p++){
RDE1=RDE1-1;
GRE1=255;
BLE1=0;
for(int l=0;l<NUMPIXELS;l++){
pixels.setPixelColor(l, pixels.Color(RDE1,GRE1,BLE1));
pixels.show();
}
delay(20);
}
BLE1=0;
for(int k=0;k<255;k++){
RDE1=0;
GRE1=255;
BLE1=BLE1+1;
for(int l=0;l<NUMPIXELS;l++){
pixels.setPixelColor(l, pixels.Color(RDE1,GRE1,BLE1));
pixels.show(); }
delay(20);
}
GRE1=255;
for(int k=0;k<255;k++){
RDE1=0;
GRE1=GRE1-1;
BLE1=255;
for(int l=0;l<NUMPIXELS;l++){
pixels.setPixelColor(l, pixels.Color(RDE1,GRE1,BLE1));
pixels.show();
}
delay(20);
}
RDE1=0;
for(int h=0;h<150;h++){
RDE1=RDE1+1;
GRE1=0;
BLE1=255;
for(int l=0;l<NUMPIXELS;l++){
pixels.setPixelColor(l, pixels.Color(RDE1,GRE1,BLE1));
pixels.show();
}
delay(20);
}
}
实验开源仿真编程(Linkboy V4.5)




实验开源图形编程(Mind+、Mixly、编玩边学)

























暂无评论内容