
一、操作概述
有载分接开关是与变压器回路连接的唯一运动部件,因此有载分接开关的检测,越来越引起重点关注。在《电力设备交接和预防性试验规程》中,要求检查有载分接开关的动作顺序,测量切换时间等。该仪器主要用于测量变压器有载分接开关的过渡波形、过渡时间、各瞬间过渡电阻值、三一样期性等,智能化程度高,全部中文菜单提示,操作简单。仪器体积小,重量轻,抗干扰能力强,大大减轻了现场工作人员的劳动强度,是发供电单位,变压器制造行业保障安全生产,提高产品质量的理想仪器。
二、使用功能有哪些
输出电流大,重量轻;测试Yn、Y、D型变压器,阻值不用换算直接显示;可带绕组、不带绕组测量;波形显示根据采样值自动调整电阻、时间值幅值具有完善的保护电路,可靠性强;七寸高亮度触摸彩色液晶,强光下显示清晰,全触屏操作,中英文自由切换内部可以自动保存500组数据。内置锂电池电源,方便户外使用。可外接打印机打印测量数据,便于无纸化办公。(选配)
三、测量范围参数
输出电流 1.0A、0.5A、0.2A测量范围 过渡电阻:0.3Ω~20Ω(1.0A) 5Ω~40Ω(0.5A) 20Ω~100Ω(0.2A)
过渡时间:0~320ms开路电压 24V测量精度 过渡电阻:±(5%读数±0.1Ω)过渡时间:±(0.1%读数±0.2ms)采样速率 20kHz存储方式 本机存储
四、使用条件
环境温度 -10℃~50℃环境湿度 ≤85%RH工作电源 电池供电电源频率 50±1Hz
五、面板介绍

六、操作说明
操作时需注意事项:使用前,仪器的接地端子必须接好地线。测试过程中,不允许拆除测试线。 带绕组测试时,变压器的非测试端应三相短路接地。对于长时间未动的有载开关,测试前应多次转换开关,磨除触头表面的氧化层及杂质。
(1)带绕组测试方法
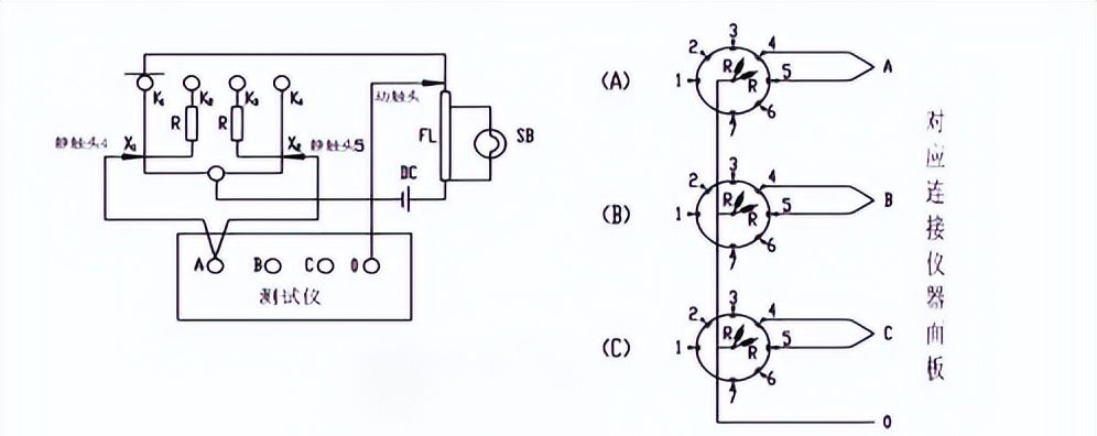
1.拆去被测变压器的三侧引线,将非测试端(一般为中压侧、低压侧)分别三相短路接地。将测试钳黄、绿、红、黑依次夹到被测变压器的调压侧(一般为高压侧)套管的A、B、C三相和中性点上,然后将测试线另一端黄、绿、红、黑线分别接在仪器的A、B、C、N端子上。下图为不同类型变压器接线方式:

2.确认以上接线无误后,开机,仪器自检后进入设置界面,如下图

按测量进入以下界面,如下图

名称:试品名称(最长可输入16个汉字)
换挡方向:设置向上换挡,还是向下换挡
测量相数:设置单相测量、三相测量
接线类型:设置Yn、Y、D
充电电流:选择0.2A、0.5A、1.0A 三个个电流档位(根据过渡电阻值选择测试电流)
测量范围:1.0A(1Ω~20Ω)
0.5A(5Ω~40Ω)
0.2A(20Ω~100Ω)
档位:00-95
触发电阻:选定测试电流后,会有一个预置触发电阻,一般不用修改;(当出现误触发时,需要将触发电阻调大一些,降低触发灵敏度; 当出现无法触发的现象,需要将触发电阻调小一些,提高触发灵敏度)
点击相应的输入框,修改相应的项目,设置完毕后,按“开始测试”,进入测试状态,
测试中、测试完成屏幕显示如图下图

三条曲线会根据测试数据进行变化。由于仪器对绕组和开关有一个充电的过程,所以曲线会从小到大变化,待三相曲线都稳定后,按下“开始测试”,此时可手动或电动操作机构(请在开始测量后的两分钟内切换开关,为了保护设备,每一次测量输出电流持续时间是2分钟,超过两分钟,自动停止输出,并切换回参数设置界面),动作完毕后,液晶屏自动显示出动作波形,按屏幕下方的按钮,可以调节曲线的放大倍数、向左向右移动,方便查看波形。
按下一档位:自动切换到下一档位,按“开始测量”,开始新的测试;
向上换挡:按“向上换挡”切换成向下换挡,反之一样;这样不用退回到参数设置界面再进行设置
存储:将数据存储到内存中。
打印:打印测试数据波形。
自动:自动按键显示“自动”的时候,仪器自动判别波形数据,一般情况先不要按这个按键,
当自动判断的数据不能满足要求时,按这个按键。如下所示

按“存储”或者不存储,进入下一项,后续界面都是如此。在自动界面,按“自动”按键,在弹出的菜单,按“存储”,进入不同期时间设置;
调节不同期时间,由于不同期时间比较小,所以需要将波形放大后再调节,精度更高一些,使用标尺1和标尺2,定位不同期时间,两个标尺之间的时间就是不同期时间,如下图所示

调整好标尺,按“不同期时间”按钮提示“存储”或“不存储”,点存储,进入过渡电阻设置。
在过渡电阻设置界面,调节光标1定位在线路电阻比较平滑处,将光标2定位在过渡电阻比较平滑处,即可,如下图所示:

设置完成,按“过渡电阻”按钮,提示“存储”或“不存储”,点存储,进入A相过渡时间设置。
在A相过渡时间设置界面,调整两个光标卡在A相波形的两侧,如下图所示

如果波形比较小,可是适当缩放波形;设置好光标后,按“A相过渡时间”按键,提示“存储”或“不存储”,点存储,进入B相过渡时间设置。B相和C相过渡时间设置方法一样,不再赘述,设置完C相过渡时间后,进入打印范围设置,将标尺在波形边沿向前向后移动一些距离,使波形更完整,如下图所示

设置好标尺后,按“打印”按键,打印的数据就是手动设置的数据。
按“打印范围”按键,进入自动处理方式;手动数据只针对打印,和屏幕左侧显示的数据没有直接关系;手动模式的数据不影响自动界面的数据,按键点回自动界面,依然打印自动处理的数据。
只有在自动判别方式处理的数据不正确的情况下,才提议使用手动处理方式,正常情况不提议使用手动方式。
(2)无绕组测试方法
将测试线黄、绿、红测试钳分别接到调压开关X1(A1)、Y1(B1)、Z1(C1)上,并用短路线分别接到对应的X2(A2)、Y2(B2)、Z2(C2)上,黑色测试钳接到中性点上,其余操作步骤同有绕组测试步骤一样。带绕组测试与不带绕组测试相比较,前者的动作时间长,约3-7 ms。
例如:无绕组测试4分接到5分接的开关动作波形的接线方法(见图6.5)

注意:A、B、C三相动触头短接后接到仪器的中性点接线端子上
(3)调压侧绕组Y型接线中性点没有引出的变压器的测试方法
这种结构的试品在不吊芯情况下,中性点无法引出,只好每两相一测试,例如测A、B两相,接线方法如图6.6所示,把C相当作中性点, 操作步骤和带绕组测试方法一样,只是在液晶屏上一次只显示两组波形和数据,数据的分析和有中性点引出的变压器的分析方法一样,只是过渡电阻值需要换算:设测量值为R’,实际值为R,则两相测量时R=1/3R’(如单相测量时则R=1/2R’)。待A、B相测完后来,可以再把A相当作中性点,测量B、C相,或者把B相当作中性点,测量A、C相。其接线方法和数据分析均一样

(4)调压侧绕组Δ型接线的变压器的测试方法:
测试接线方法同图6.6,操作步骤和数据的分析和其它变压器测试方法一样,只是过渡电阻值需要换算:设测量值为R’,实际值为R,则两相测量时R=R’,单相测量时R=2/3 R’。
(5)、数据查询界面
按“测试记录”按钮,进入测试查询界面,如下图

按“显示波形”显示波形数据,和测量界面一致,请参考测量波形界面。
(6)系统设置界面
在系统设置界面设置系统变量,如下图

滤波设置:设置测试波形的滤波级别,0-60,预置30;数字越大,滤波能力越强,当波形不太好时,提议加大滤波值。
背光设置:液晶背光,10-64;
语言切换:点击按钮可切换中/英文界面
7)时间设置界面

按时钟图标,弹出时间设置键盘,设置时间。
八、开关动作原理及波形分析
一、开关动作原理:

分接开关按照a-g的顺序依次动作,正常动作生成如下图所示标准波形:
R0:线圈电阻和测试线电阻
R1:过渡电阻1
R2:过渡电阻2
T0:三一样期性,(以最早检测到切换的相为基准)
T1:过渡电阻1运行时间
T2:桥接时间
T3:过渡电阻2运行时间
T4:过渡时间
二、波形分析

从上图可以看出,桥接前时间过长,已达50ms(是正常时间的三倍),并且不止是一相,而是三相差不多。这是典型的快速机构储能弹簧老化,速度变慢

从上图中可以看到A相从单到双(3-4)和双到单(4-3)有对称的过零段,是在单数侧,且过渡电阻值从仪器上观察远大于50Ω(超过50Ω可以看成开路)。这是典型的过渡电阻缺陷。吊检后发现单数侧过渡电阻已断裂

上图中这个波形是由于开始测试时,灵敏度选的比较高,又是由3-2方向(电感量增加)容易引起震荡。适当降低灵敏度由1-n方向测试结果正常

上图中看出,A相波形较乱,打出的过渡电阻值仅0.3-0.5Ω,而且从1-7均如此。 吊检发现A相切换开关引出线软连接有断股,造成A相过渡电阻被短接(未接死)。现场处理后,波形正常。



![[小米] 小米 MIX 摺叠手机的液态镜头原理是什么?其他手机相机会跟进吗? - 宋马](https://pic.songma.com/blogimg/20250712/cbe2552a0991404ea7d4eebfef78a260.jpg)













暂无评论内容