
如何快速对齐标注以及批量调整基线标注间距,当时我们用了DIM智能标注中的对齐和分发(需要点击查看),这个命令AutoCAD2016版本才开始有,许多人反应用不了。
今天我们分享另一个可替代上面的命令:DINSPACE,这个命令AutoCAD2008及以上可用,如果还用不了,还是换个版本吧,太低了。
DIMSPACE 是 AutoCAD用于统一调整一组线性标注之间间距的命令:先选取一个基准标注,然后选择需调整的其它标注,最后输入期望的间距(或选择自动)。该命令能快速将多条平行/同向的标注等间距排列或对齐(输入 0 可使标注紧密对齐)。
下面我们来看一个实例。
列如这个图,左边这个标注具有基线标注,又有连续标注,而且基线标注间距一样并且连续标注在一条线上。

那如果是这样的,怎么快速调整?

下面给出具体操作:
输入DIMSPACE回车。

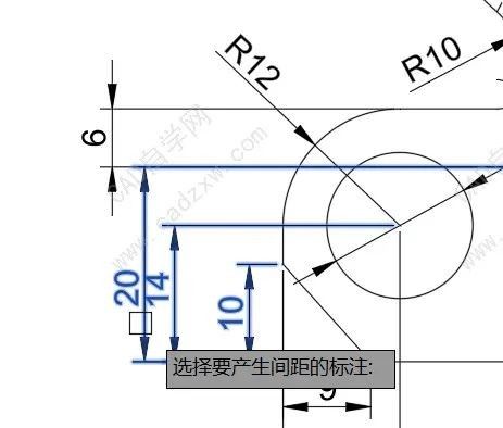
选择基准标注。

选择要产生间距的标注。

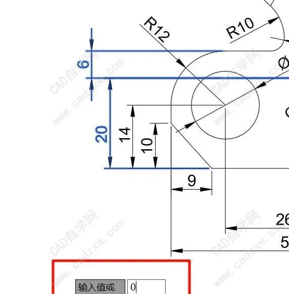
回车后提示你输入值或者自动。

我们直接空格即可自动调整基线标注间距。

同样执行DIMSPACE后选择20作为基准标注。

再选择产生间距的标注。

回车后输入0,即可实现连续标注自动对齐。

结果如图。

完,希望对你有协助
© 版权声明
文章版权归作者所有,未经允许请勿转载。如内容涉嫌侵权,请在本页底部进入<联系我们>进行举报投诉!
THE END


















暂无评论内容